Мы используем cookie для наилучшего представления нашего сайта. Подробнее об этом в Политике конфиденциальности.
Ок

Балашиха

Ваш город:
Балашиха (Московская область)?
Нет
Да
Каталог
Каталог Написать в WhatsApp
Мотоэкипировка

Рычаг КПП 2-х тактного ПЛМ MERCURY 40 M Серийный номер от 7144763 и выше

Рычаг КПП 2-х тактного ПЛМ MERCURY 40 M Серийный номер от 7144763 и выше в Москве: актуальный каталог, цены, фото, описание. Купите рычаг кпп 2-х тактного плм mercury 40 m серийный номер от 7144763 и выше в кредит – оформите заявку онлайн за 1 минуту!

Оригинальные запчасти

Артикул НАИМЕНОВАНИЕ Кол-во деталей в узле Примечание Наличие Цена Аналоги Фото
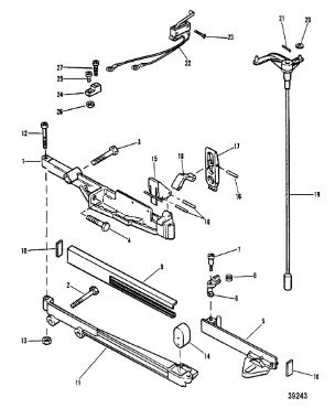
1 73657 SCREW, CRANKCASE TO CYLINDER BLOCK (1-1/2")

Под заказ

2

Под заказ

уточнить

Купить
2 67450 SCREW

Под заказ

1

Под заказ

уточнить

Купить
3 35385 SCREW

Под заказ

1

Под заказ

уточнить

Купить
4 87874 SLIDE, SHIFT ACUTATING

Под заказ

1

Под заказ

уточнить

Купить
5 56193 LATCH, SHIFT ACUTATING SLIDE (SHIFT CABLE)

Под заказ

1

Под заказ

уточнить

Купить
6 39620 SCREW, LATCH TO SHIFT ACTUTING SLIDE

Под заказ

1

Под заказ

уточнить

Купить
7 27087 SPRING, HOLD DOWN RING CLAMP

Под заказ

1

Под заказ

уточнить

Купить
8 75717 SLIDE, NYLON -ANCHOR BRACKET

Под заказ

1

Под заказ

уточнить

Купить
9 39515 END CAP, NYLON - ANCHOR BRACKET SLIDE

Под заказ

2

Под заказ

уточнить

Купить
10 87876A2 SHIFT ANCHOR BACKET (UPPER)

Под заказ

1

Под заказ

уточнить

Купить
11 20012 SCREW

Под заказ

2

Под заказ

уточнить

Купить
12 826709109 NUT, (.250-28) Stainless Steel

Под заказ

2

Под заказ

уточнить

Купить
13 39519 Вставка (CUP)

Под заказ

1

Под заказ

уточнить

Купить
14 87609A1 LEVER KIT

Под заказ

1

Под заказ

уточнить

Купить
15 47175 PIN, LOCKING LEVER AND COVER

Под заказ

3

Под заказ

уточнить

Купить
16 90211 COVER, NYLON - SHIFT CABLE

Под заказ

1

Под заказ

уточнить

580

Купить
17 75104A7 SHIFT SHAFT ASSEMBLY (SHORT SHAFT)

Под заказ

1

Под заказ

уточнить

Купить
18 75104A8 SHIFT SHAFT ASSEMBLY (LONG SHAFT)

Под заказ

1

Под заказ

уточнить

Купить
19 26811 Шплинт-фиксатор (COTTER PIN)

Под заказ

1

Под заказ

уточнить

Купить
20 88096A1 SWITCH ASSEMBLY

Под заказ

1

Под заказ

уточнить

Купить
21 30902 SCREW

Под заказ

2

Под заказ

уточнить

Купить
22 45915 TERMINAL BLOCK

Под заказ

1

Под заказ

уточнить

Купить
23 25764 SCREW, MERCURY SWITCH TO PLATE (5/8")

Под заказ

1

Под заказ

уточнить

Купить
24 27164 NUT AND LOCKWASHER, (#10-32), CIRCUIT BREAKER TERMINAL

Под заказ

1

Под заказ

уточнить

Купить
25 69079 SCREW, HARNESS LEADS (1/2")

Под заказ

1

Под заказ

уточнить

Купить

Нулевая цена не означает отсутствие товара. Оформите заказ, и менеджер сообщит вам цену и наличие товара, предварительно запросив их у поставщика

Главная Магазины
Корзина0
Профиль